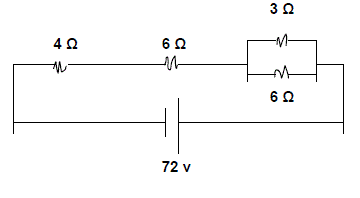
Şekildeki devreden geçen akım kaç Amper’dir?

A
2A
B
3A
C
4A
D
5A
E
6A
İlgili Sorular
Bir kablonun öz direnci 0,02 ohm.mm2/m, kesiti 2 mm2 ve toplam direnci 20 W’dur. Bu iletkenin uzunlu...Bir motorun gücü 1 HP olup, dış devreye gösterdiği direnç 46 W’dur. Bu motorun çektiği akım nedir?Kayıpları ihmal edilmiş bir fazlı transformatörde gerilimler 220 V/110 V, primerden geçen akım 3 A v...Şekildeki devreden çıkan toplam akım nedir?Bir alternatör 6 kutba sahip olup, dakikada 800 devir yapmaktadır. Bu alternatörün frekansı nedir?