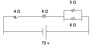
Şekildeki devreden geçen akım kaç Amper’dir?

A
2A
B
3A
C
4A
D
5A
E
6A
İlgili Sorular
Kazan besleme suyu akış miktarını tespit etmek için aşağıdakilerden hangi tür sensör kullanılır?Aşağıdaki şekil hidrolik sistemde neyi ifade eder?Piezoelektrik (Turmalin) kristalleri aşağıdakilerden hangi basınç aralığında kullanılmalıdırlar?Şekildeki devrede 4 W’luk direncin üzerinden akan akımın değeri aşağıdakilerden hangisidir? Senkron jeneratörden çekilen akım arttıkça gerilim değeri ne olur? Bu değeri sabit tutmak için uyarm...